Boxster 987 roof / clamshell access
Discussion
Hello. My 987 boxster roof is broken , no electrical function after flooded control box. Main roof moved back manually about 12 “ but the clamshell is firmly shut , and can’t get to any of the parts under it until it will open. None of the videos I have watched address this problem, which is how do you release the clamshell from inside the cabin ? Spent several hours on all the forums with no joy
Please help !
Thanks
Bruce
Please help !
Thanks
Bruce
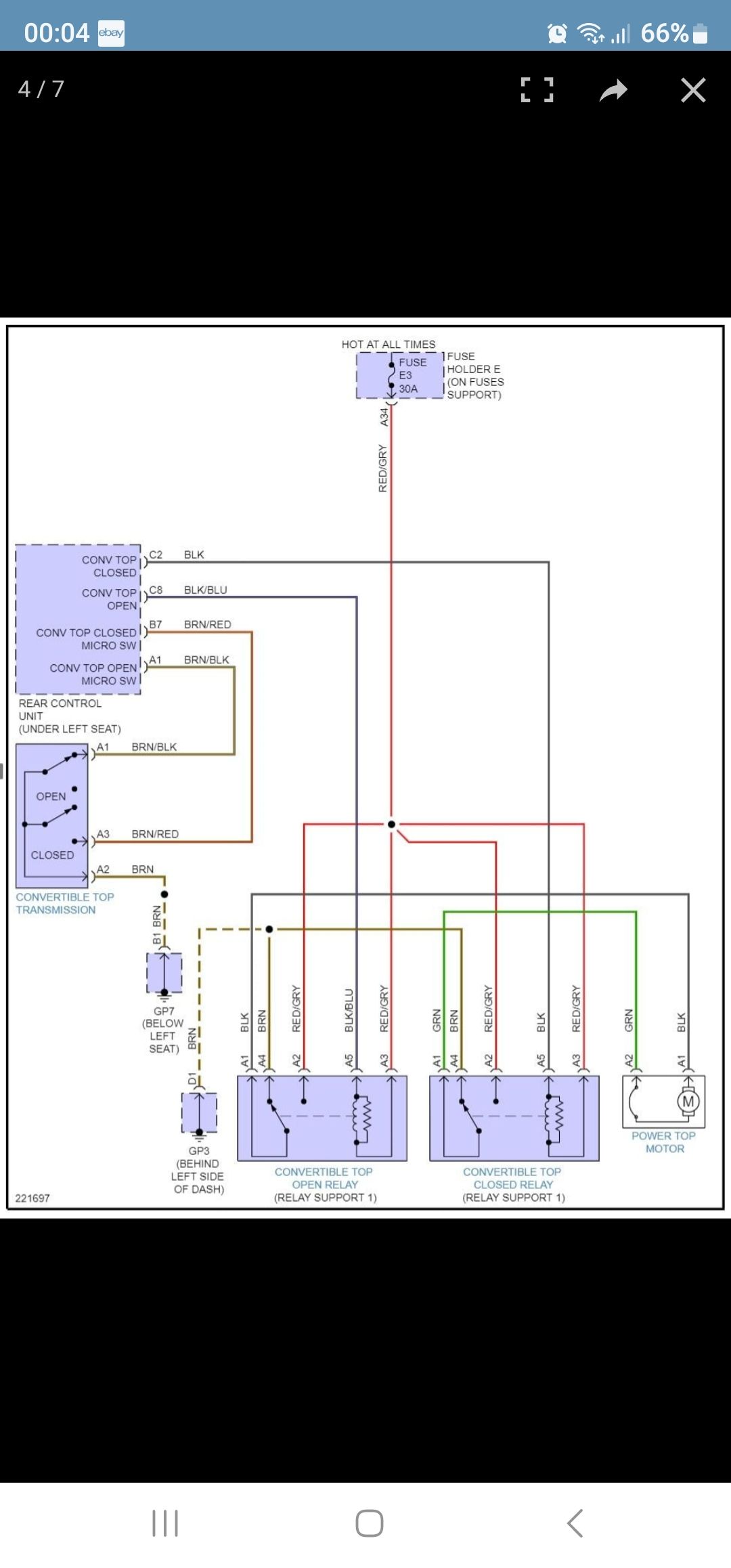
You can manually power the roof backwards to release the tension on the roof arms - but the motor may be under too much tension to operate. You will need to supply power/earth to the motor and it will wind off the tension/open the lid to access the mechanism. Use the diagram below, find the relays and jump power/earth to the motor to move it to where you need it to access under the lid.
You can release the built up tension manually by reaching through the roll hoops and levering off the balljoints on the roof arms to the trasnsmissions using a large bladed pry bar - they go with a bang, but generally some damage has already occurred when the roof has been operated without controlled limits anyway (bent/twisted or buckled levers/arms)

You can release the built up tension manually by reaching through the roll hoops and levering off the balljoints on the roof arms to the trasnsmissions using a large bladed pry bar - they go with a bang, but generally some damage has already occurred when the roof has been operated without controlled limits anyway (bent/twisted or buckled levers/arms)
Edited by Pope on Tuesday 23 April 00:08
Gassing Station | Boxster/Cayman | Top of Page | What's New | My Stuff


