TVR Chimaera unknown relay & Resistor
Discussion
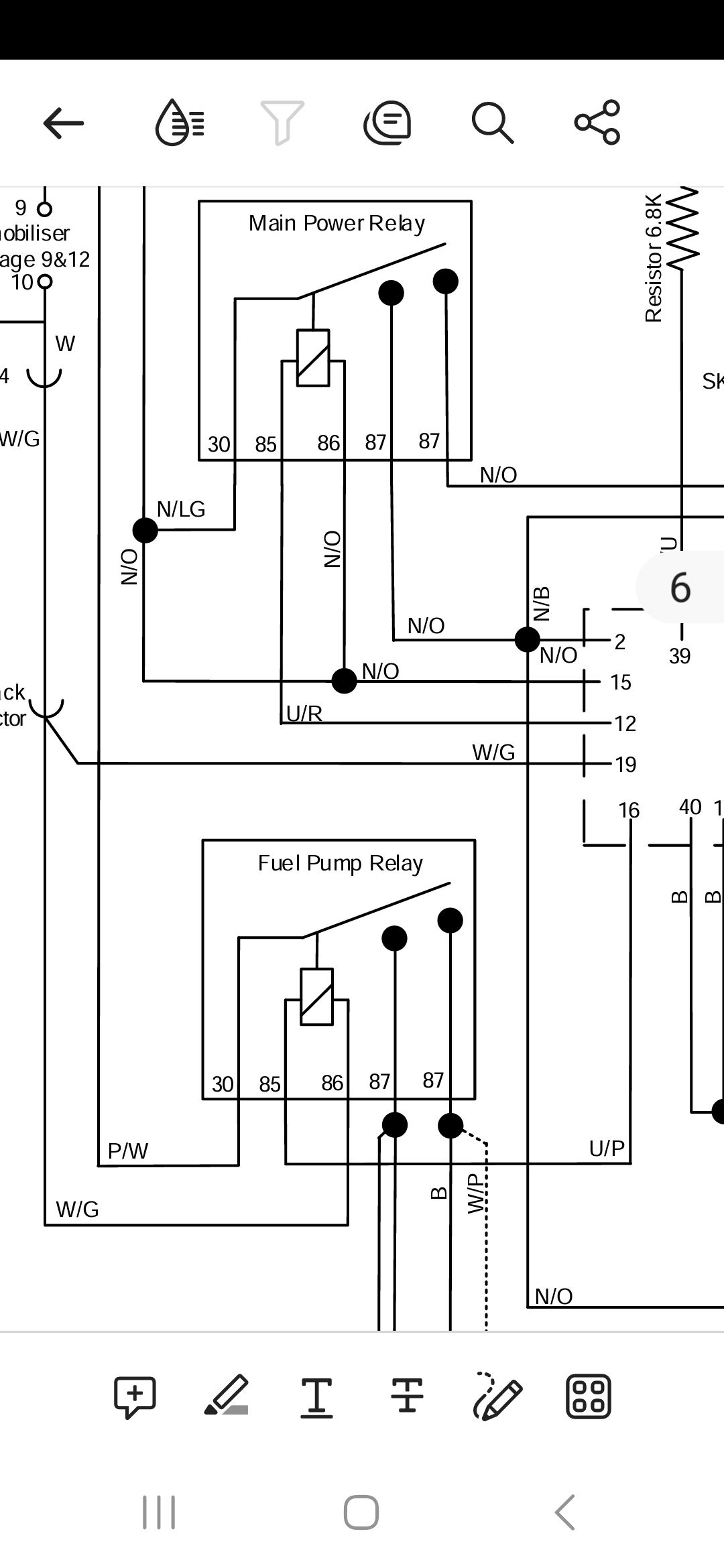
My 93 Chimaera 430 quit on the way to a car show in Florida. I checked and bypassed both the main power relay and fuel pump relay. Checked, it has fuel pressure and spark but won't run. While trying switching relays I unplugged one to swap with another relay and accidentally found that there was not a plug but five wires were attached to it. Now I don't know which terminals to attach the wires or what the relay if for. All the wiring diagrams show only two relays, one for the pump and a main power relay from the ECM harness. Also, a resistor fell off while I was working along side the road. 130 mile towing to my home so does anyone know what the relay and resistor hook up to? Also, what wires go to each terminal of the mystery Bosch Relay 0332014107 ?
The mystery relay is on the left fuel pump in the photo.

The mystery relay is on the left fuel pump in the photo.
Thank you for the placement of the tune resistor? Both of the normal relays (Pump and power) are wired correctly and work. The other one seems to be coming from the factory tape wrapped engine management wiring loom. I think my next step is to unwrap the loom to see where the wires go. Thai relay was buzzing when the engine died.
Check the wiring colours, there should be some in there for A/C too.
https://www.pistonheads.com/gassing/topic.asp?h=0&...
https://www.pistonheads.com/gassing/topic.asp?h=0&...
USChimaera said:
Thank you for the placement of the tune resistor? Both of the normal relays (Pump and power) are wired correctly and work. The other one seems to be coming from the factory tape wrapped engine management wiring loom. I think my next step is to unwrap the loom to see where the wires go. Thai relay was buzzing when the engine died.
I think it could be a hot start kit. On mine, the negative connection was (per the dubious design) loosely connected to an empty relay socket and fell out. I have given up on the Lucas ECM and installing a Trigger Wheel (Megasquirt) ECM and distributorless ignition. Does anyone know what the relays under the dash are for? I found an Identifying photo but can't find it now. Don't want to remove too much besides the Immobilizer when I install the new ECM.
Not sure if this helps, they are not immobiliser related.
https://www.pistonheads.com/gassing/topic.asp?h=0&...
https://www.pistonheads.com/gassing/topic.asp?h=0&...
miniman said:
I think it could be a hot start kit. On mine, the negative connection was (per the dubious design) loosely connected to an empty relay socket and fell out.
That's what I was thinking too.My car had a hot start kit that had crumbled, and it looked just like that.
image halfway down this page, along with a diagram from Polly showing how it should be wired.
https://www.pistonheads.com/gassing/topic.asp?h=0&...
USChimaera said:
I have given up on the Lucas ECM and installing a Trigger Wheel (Megasquirt) ECM and distributorless ignition. Does anyone know what the relays under the dash are for? I found an Identifying photo but can't find it now. Don't want to remove too much besides the Immobilizer when I install the new ECM.
Are you replacing the loom as well?I'm dying for someone to take lots of photos and report on the steps taken to install a Megasquirt kit, I keep flirting with the idea...
PabloGee said:
USChimaera said:
I have given up on the Lucas ECM and installing a Trigger Wheel (Megasquirt) ECM and distributorless ignition. Does anyone know what the relays under the dash are for? I found an Identifying photo but can't find it now. Don't want to remove too much besides the Immobilizer when I install the new ECM.
Are you replacing the loom as well?I'm dying for someone to take lots of photos and report on the steps taken to install a Megasquirt kit, I keep flirting with the idea...
You basically pull out the entire engine loom back to 2 connectors behind the radio, you have to reinstate a few things from it though which you can either pick apart the loom or just rewire, things like the water temp gauge, oil pressure gauge etc.
Time consuming but very enjoyable cutting out all that old stuff, take your time take pictures and notes and you would be fine.
Gassing Station | Chimaera | Top of Page | What's New | My Stuff


