Boxster 987 roof / clamshell access
Boxster 987 roof / clamshell access
Author
Discussion

brucey65

Original Poster:

4 posts

22 months

Sunday 21st April 2024
quotequote all
Hello. My 987 boxster roof is broken , no electrical function after flooded control box. Main roof moved back manually about 12 “ but the clamshell is firmly shut , and can’t get to any of the parts under it until it will open. None of the videos I have watched address this problem, which is how do you release the clamshell from inside the cabin ? Spent several hours on all the forums with no joy
Please help !
Thanks
Bruce

soxboy

7,273 posts

241 months

Monday 22nd April 2024
quotequote all
On mine the clamshell could be moved back manually by getting your fingers underneath and pushing it back, albeit there was probably something broken in the mechanism that let me do that.

speedyman

1,608 posts

256 months

Monday 22nd April 2024
quotequote all
Ask here , someone will know. https://www.boxa.net/

Pope

2,653 posts

269 months

Tuesday 23rd April 2024
quotequote all
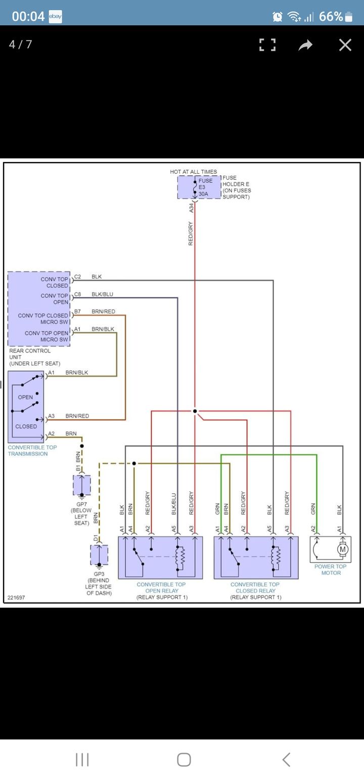
You can manually power the roof backwards to release the tension on the roof arms - but the motor may be under too much tension to operate. You will need to supply power/earth to the motor and it will wind off the tension/open the lid to access the mechanism. Use the diagram below, find the relays and jump power/earth to the motor to move it to where you need it to access under the lid.

You can release the built up tension manually by reaching through the roll hoops and levering off the balljoints on the roof arms to the trasnsmissions using a large bladed pry bar - they go with a bang, but generally some damage has already occurred when the roof has been operated without controlled limits anyway (bent/twisted or buckled levers/arms)



Edited by Pope on Tuesday 23 April 00:08