Alarm sensor locations?
Discussion
Do we have a bonnet open sensor on our cars and if so where about's is it?
My alarm has started doing the 4 beeps on arming warning again, which is a sign that it thinks one of the sensors isn't properly closed (verified with HF Solutions FAQ page)
Both door proximity sensors seem to be working fine as the windows on both sides go up automatically when the door is closed, and the boot light activation switch is currently disconnected so that is the same as the boot being closed all the time (the switch connects when the boot is open and breaks when closed) so I'm struggling to find where else to really look!
Thanks Alex
My alarm has started doing the 4 beeps on arming warning again, which is a sign that it thinks one of the sensors isn't properly closed (verified with HF Solutions FAQ page)
Both door proximity sensors seem to be working fine as the windows on both sides go up automatically when the door is closed, and the boot light activation switch is currently disconnected so that is the same as the boot being closed all the time (the switch connects when the boot is open and breaks when closed) so I'm struggling to find where else to really look!
Thanks Alex
Mine's after market but it has a switch on the bonnet in front of the air filter. Don't know if it's standard. Also there's an impact sensor on top of the tunnel between the back seats.
I did replace the siren unit a couple of years ago because it was acting up. The internal battery was at end of life and wouldn't hold a charge. That did weird things to arming and disarming. Bit of a minefield really. Good luck.
I did replace the siren unit a couple of years ago because it was acting up. The internal battery was at end of life and wouldn't hold a charge. That did weird things to arming and disarming. Bit of a minefield really. Good luck.
notaping said:
Mine's after market but it has a switch on the bonnet in front of the air filter. Don't know if it's standard. Also there's an impact sensor on top of the tunnel between the back seats.
I did replace the siren unit a couple of years ago because it was acting up. The internal battery was at end of life and wouldn't hold a charge. That did weird things to arming and disarming. Bit of a minefield really. Good luck.
Thanks Gordon - I will go and have a look around that area - never noticed one before but then I've never really looked!I did replace the siren unit a couple of years ago because it was acting up. The internal battery was at end of life and wouldn't hold a charge. That did weird things to arming and disarming. Bit of a minefield really. Good luck.
I did check the owner's manual and is says
[page 24] System Diagnostics - 3. Boot or Bonnet = 4 flashes every 6 seconds
So it is implying that there was a bonnet alarm sensor fitted as standard
Thanks guys
Weirdly the rear harness wiring diagram and the Cerbera Service Workshop Manual are showing that the boot / bonnet sensor is on Pin 3 of the alarm ECU and connects to the front harness via a Blue / Black wire that connects to the bonnet sensor in the front - totally confusing!
Alarm ECU

Rear Multiway Harness J33 pin 21

Front Harness J1 Bonnet Switch

I will go investigating...
Weirdly the rear harness wiring diagram and the Cerbera Service Workshop Manual are showing that the boot / bonnet sensor is on Pin 3 of the alarm ECU and connects to the front harness via a Blue / Black wire that connects to the bonnet sensor in the front - totally confusing!
Alarm ECU
Rear Multiway Harness J33 pin 21
Front Harness J1 Bonnet Switch
I will go investigating...
Byker28i said:
Awesome - thanks - now that is interesting.I've just replaced my windscreen wiper motor which involved removing the radiator coolant expansion tank which lives just above that location
I will go hunting and see if I have upset the connections on the way (*at least now I know where the wiring connector for it should be!)
BTW does anyone know what the actual switch itself looks like and it's location?
Edited by Juddder on Wednesday 2nd April 14:12
[quote=Byker28i]Couldn't see it on the nose harness wiring, but it is on the main harness wiring - middle right of center

Time on a train so decided to research this connector more closely and it looks like the wiring diagram says 'No Fit' which kind of makes sense as nobody can find one!

If you compare it to the Reverse Switch you can see that the J24 connector then has a Switch, SW3, connected to it to switch the circuit

The Bonnet Switch J1 doesn't have a corresponding switch so maybe they fitted it to the loom, but never bothered fitting it to the car
What I _do_ wonder though is by leaking lots of coolant out of the expansion tank during removing it (*I removed the lions share with a hand pump but you always get some overflow) it has caused this jumper to short which would also cause this problem
I will again investigate further - I am also going to test the door proximity switches using some magnets to see if I can trigger those independently
Time on a train so decided to research this connector more closely and it looks like the wiring diagram says 'No Fit' which kind of makes sense as nobody can find one!
If you compare it to the Reverse Switch you can see that the J24 connector then has a Switch, SW3, connected to it to switch the circuit
The Bonnet Switch J1 doesn't have a corresponding switch so maybe they fitted it to the loom, but never bothered fitting it to the car
What I _do_ wonder though is by leaking lots of coolant out of the expansion tank during removing it (*I removed the lions share with a hand pump but you always get some overflow) it has caused this jumper to short which would also cause this problem
I will again investigate further - I am also going to test the door proximity switches using some magnets to see if I can trigger those independently
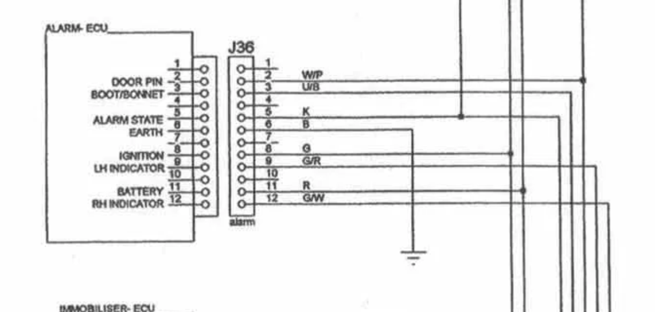
OK - here's the whole circuit for the U/B Boot / Bonnet / Alarm ECU Wire
Rear Harness Part 1
Alarm ECU - Pin 3
J36 - Pin 3 U/B
J33 - Pin 21 U/B -> Main Harness
Splice 7 -> Continued on Rear Harness Part 2
Main Harness
J30 - Pin 21 U/B
J1 - Pin 2 (Bonnet Switch)
Rear Harness Part 2
Splice 7
J40-A - Pin 1 U/B
SW9 - Boot Lid Sw
Is starts with the Alarm ECU connected to the Rear Harness part 1 and then goes to the (now defunct) J1 in the main harness which should have triggered a bonnet open for the alarm if it was ever fitted

Simultaneously the same wire is spliced into the Rear Harness part 2 and then travels along to the Boot Lid Switch which _is_ populated with a switch so can trigger the alarm to activate!

So at least now I know the two points to go investigating as well as the doors (BTW I'm sure Carl @ Abacus could have told me all of this if I asked but I didn't want to use up his time
)
BTW if someone would like to test this theory for me that would be great.
1. Shut the doors, and the bonnet but leave the boot open. Activate the alarm.
Result should be 4 long beeps of the alarm with indicators flashing
2. Shut the doors, and the boot but leave the bonnet open. Activate the alarm.
Result should be indicator lights flashing and no beep
Thanks
Rear Harness Part 1
Alarm ECU - Pin 3
J36 - Pin 3 U/B
J33 - Pin 21 U/B -> Main Harness
Splice 7 -> Continued on Rear Harness Part 2
Main Harness
J30 - Pin 21 U/B
J1 - Pin 2 (Bonnet Switch)
Rear Harness Part 2
Splice 7
J40-A - Pin 1 U/B
SW9 - Boot Lid Sw
Is starts with the Alarm ECU connected to the Rear Harness part 1 and then goes to the (now defunct) J1 in the main harness which should have triggered a bonnet open for the alarm if it was ever fitted
Simultaneously the same wire is spliced into the Rear Harness part 2 and then travels along to the Boot Lid Switch which _is_ populated with a switch so can trigger the alarm to activate!
So at least now I know the two points to go investigating as well as the doors (BTW I'm sure Carl @ Abacus could have told me all of this if I asked but I didn't want to use up his time
)BTW if someone would like to test this theory for me that would be great.
1. Shut the doors, and the bonnet but leave the boot open. Activate the alarm.
Result should be 4 long beeps of the alarm with indicators flashing
2. Shut the doors, and the boot but leave the bonnet open. Activate the alarm.
Result should be indicator lights flashing and no beep
Thanks

1. Shut the doors, and the bonnet but leave the boot open. Activate the alarm.
I get 4 long beeps of the alarm with indicators flashing, rear led light flashes about 20 secs, pauses then continues flashing
2. Shut the doors, and the boot but leave the bonnet open. Activate the alarm.
I get 4 long beeps of the alarm with indicators flashing, rear led light flashes about 20 secs, pauses then continues flashing
So no change
If I leave the door open, activate, climb into the drivers seat, alarm goes off. Red LED 1 flash every 6 secs - inside ultrasonics after disable
Locked and open the boot the special way, alarm goes off 4 flashes after disable
Nothing on the bonnet
Which seems right?

I get 4 long beeps of the alarm with indicators flashing, rear led light flashes about 20 secs, pauses then continues flashing
2. Shut the doors, and the boot but leave the bonnet open. Activate the alarm.
I get 4 long beeps of the alarm with indicators flashing, rear led light flashes about 20 secs, pauses then continues flashing
So no change
If I leave the door open, activate, climb into the drivers seat, alarm goes off. Red LED 1 flash every 6 secs - inside ultrasonics after disable
Locked and open the boot the special way, alarm goes off 4 flashes after disable
Nothing on the bonnet
Which seems right?
Great thanks - and sounds like we both might have the same problem there!
The alarm should never beep on alarming if everything is happy - from the link in the 1st post on this thread to HF Solutions
Alarm beeps on arming
- Boot, bonnet or door circuit sitting at earth on arming. M99T2 only.
- Vehicles with an interior light delay can cause the alarm to produce beeps upon arming.
- Should the interior light be fully extinguished upon arming, NO beeps are produced.
So if the alarm beeps when the boot and doors are properly shut, and there is no sensor in the bonnet, then something isn't happy with the alarm
If anyone else can confirm that their alarm primes silently with just flashing indicator lights that would be handy
The alarm should never beep on alarming if everything is happy - from the link in the 1st post on this thread to HF Solutions
Alarm beeps on arming
- Boot, bonnet or door circuit sitting at earth on arming. M99T2 only.
- Vehicles with an interior light delay can cause the alarm to produce beeps upon arming.
- Should the interior light be fully extinguished upon arming, NO beeps are produced.
So if the alarm beeps when the boot and doors are properly shut, and there is no sensor in the bonnet, then something isn't happy with the alarm
If anyone else can confirm that their alarm primes silently with just flashing indicator lights that would be handy
M99T2 Manual - I believe it should only flash and not beep

and interestingly I never knew that you could test the alarm inputs during the first 25 seconds of arming - so in theory you should be able to leave the boot open, simulate the boot being closed by pushing down the courtesy light switch / boot switch, arming the alarm, and then releasing it within the first 25 seconds to flash the hazard lights...
and interestingly I never knew that you could test the alarm inputs during the first 25 seconds of arming - so in theory you should be able to leave the boot open, simulate the boot being closed by pushing down the courtesy light switch / boot switch, arming the alarm, and then releasing it within the first 25 seconds to flash the hazard lights...
Edited by Juddder on Thursday 3rd April 16:47
Mines always done this since I had the alarm and imobiliser replaced. 4 flashes and beeping when locking, I long flash beep when unlocking
That 25 secs - would roughly be the time I saw on the rear flashing red light. After about that time it briefly pauses flashing then starts again showing it's armed.
That 25 secs - would roughly be the time I saw on the rear flashing red light. After about that time it briefly pauses flashing then starts again showing it's armed.
Edited by Byker28i on Saturday 5th April 10:37
"But if the installer has turned the beep function on, you'll get 2 beeps on arming, and 1 beep on disarming."
https://www.pistonheads.com/gassing/topic.asp?h=0&...
Alarm beeps on arming
- Boot, bonnet or door circuit sitting at earth on arming. M99T2 only.
- Vehicles with an interior light delay can cause the alarm to produce beeps upon arming.
- Should the interior light be fully extinguished upon arming, NO beeps are produced.
https://www.hf-solutions.co.uk/SUPPORT
https://www.pistonheads.com/gassing/topic.asp?h=0&...
Alarm beeps on arming
- Boot, bonnet or door circuit sitting at earth on arming. M99T2 only.
- Vehicles with an interior light delay can cause the alarm to produce beeps upon arming.
- Should the interior light be fully extinguished upon arming, NO beeps are produced.
https://www.hf-solutions.co.uk/SUPPORT
Gassing Station | Cerbera | Top of Page | What's New | My Stuff


